Rozšířené vyhledávání
Porovnané (0)
Oblíbené (0)
Můj účet
Registrace
Přihlásit
HLEDAT
Menu
Nákupní košík
0 kusů | Cena nákupu: 0 Kč
0
O Nás
GDPR
Obchodní podmínky
Reklamace
Kontaktní údaje
Hlavní kategorie
Ochranné pomůcky
Obytné vozy
Topení
Osvětlení
Ledničky
Ostatní
Elektro
Mytí
Hasicí přístroje
Kosmetika
Osvěžovače
Autokosmetika
Šampony
Ubrousky
Lestěnky
Spreje
Zajištění nákladu
Celní lano
Napínáky gumotextilní
Sítě
Kotvení do podlahy
Přehrazovač nákladu
Ochrany pásu
Pásy
Podložka protiskluz
Označení nákladu
Maziva
Lisy
Vazelíny
Příslušenství
Oleje
Spreje
Mytí
Chemie
Koštata
Ostatní
Leštěnky
Ostatní nezařazené
Filtry
Hadice
Spony
Tachografy
Ostatní
Kotoučky
Pásky do tachografu
Přívěsy
Elektroinstalace
Zajištění nákladu
Skříně
Blatníky
Značení
Konstrukce
Svítilny
Poziční
Koncové
Skla
Klíny zakládací
Lodě
Topení
Ledničky
Osvětlení
Ostatní
Mytí
Elektro
Řetězy sněhové
Klasické
Textilní
Radiostanice
Radiostanice
Ostatní
Antény
Elektropříslušenství
Zásuvky
Pojistky
Sady
Nožové mini
Tavné
Midi
Mega
Nožové maxi
Nožové
Ostatní
Skleněné
Nasouvací
Průchozí
Keramické
Micro
Držáky
Jističe
ANL
Zástrčky
Zkoušečky
Měniče
Bužírka
Pásky
Stahovací
Izolační
Relé
Svorky
Konektory
Kabely
Startovací
S koncovkami
Metřáž
Průchodky
Ochrana kabelů
Krabice rozvodné
Spojky
Oko kabelové
Odpojovač
Kontrolky
Vypínače
Ostatní
Přístroje
Tlačítka
Kapaliny provozní
Oleje
Vzduch
Zimní
Brzdové kapaliny
Letní
Chladící kapaliny
Destilovaná voda
Ad Blue
Aditiva
Kanystry
Kanystry na vodu
Příslušenství
Kanystry na PHM
Skříně plastové
Skříně
Zámky
Ledničky
Thermotašky
Ledničky
Příslušenství
Výbava vozidla
ADR
Nářadí
Ostatní
Exteriér vozidla
Zajištění nádrže
Značení vozidla
Zástěrky
Zrcadla
Uzávěry nádrže
Antény
Nadrže na vodu
Blatníky
Skříně plastové
Hadice
Kabely
Ofuky
Klíny zakládací
Ostatní
Kryty kol
Kryty matic
Tiskopisy
Topení-klimatizace
Ostatní
Klimatizace
Topení
Interiér vozidla
Záclony
Ofukovací pistole
Autorádia
Police
Středová
Celková
Pravá
Konvice varné
Koberce
Koženkové
Gumové
Textilní
Potahy sedačky
Textilní
Koženkové
Vyhřívané
Potahy volantu
Ventilátory
Měniče
Koženka
Kosmetika
Elektro
Radiostanice
Doplňky
Osvěžovače
Papírové
Parfémy
Kapalinové
Plastové
Ledničky
Ostatní
Osvětlení
Světlomety
Mlhové světlomety
Hlavní světlomety
Paraboly
Příslušenství
Pracovní světlomety
Źárovkové H3
LED
Dálkové světlomety
Denní svícení
Svítilny
Příslušenství
Osvětlení SPZ
Couvací
Koncové
Poziční
Bílá
Oranžová
Bílá/červená
Červená
Mlhové
Směrová
Vnitřní
Brzdové
Skla svítilen
Majáky
Predátory
LED
Žárovkové
Xenonové
Kryty
Rampy
Příslušenství
Patice
Servis
Chemie
Ostatní
Nářadí
Svítilny pracovní
Zvedáky
Spojovací materiál
Těsnění
Ostatní
Kroužek AL
Kroužek CU
Kroužek gumový
Průchodky
Tmely-lepidla
Značení vozidel
Rychlost
Euro
Odrazky
Tabule
Tlaky
Ostatní
ADR
Autodoplňky
Kamery
Kryty matic
Kryty kol
Konvice varné
Houkačky
Elektrické
Vzduchová
Ostatní
Měniče napětí
Adaptéry
Měniče
Ventilátory
Ostatní
Škrabky-smetáčky
Pásky
Podložky SPZ
Vařič
Nabíječky
Držáky
Plachta
Potahy
Volantu
Sedaček
Baterie
Příslušenství
Kabely
Baterie
Nabíječky
Vzduchové příslušenství
Hlavice
Ostatní
Trubka PA
Spojky
Hadice
Ventily
Šroubení
Stěrače
Celogumové
Ostatní
Klasické
Gumičky
Zrcadla
Příslušenství
Skla náhradní
Vložky topné
Zrcadla
Kryty zrcadel
Pneu
Hadice plnění
Opravné sady
Ostatní
Žárovky
12V
24V
Ostatní
LED
Xenony
Patice
Sady žárovek
Návěsy
Značení
Plachty
Konstrukce
Osvětlení
Zástěrky
Zajištění nákladu
Elektroinstalace
Nádrže
Blatníky
Ostatní
Celní lano
Skříně
Klíny zakládací
Závěsy
Spreje
Čistící
Klimatizace
Elektro
Mazací
Ostatní
Interiér
Výprodej
Dárkové poukazy
/
Hlavní kategorie
/
Exteriér vozidla
/
Nadrže na vodu
/
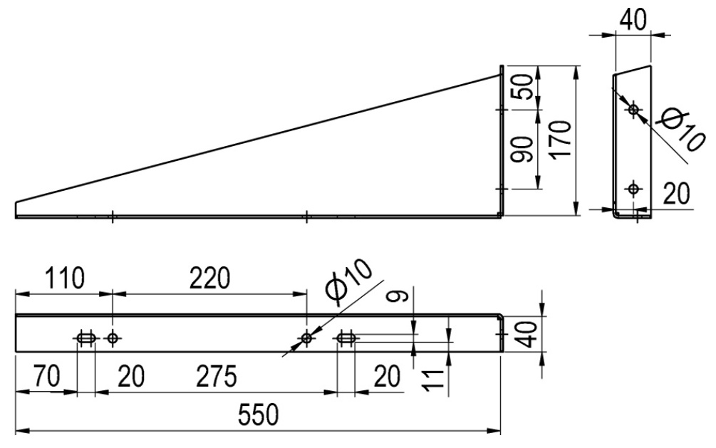
Držák nádrže na vodu 30/50L
Držák nádrže na vodu 30/50L
Katalogové číslo:
731610415
Cena:
805 Kč
bez DPH
974 Kč
s DPH
sa
Koupit
skladem
(4 sa)
Porovnat
Přidat do oblíbených
Viděli jste
Potah sedačky Volvo universál manšestrová látka
2 015 Kč
1 666 Kč (bez DPH)
Koupit
Baterie Energizer 1,5V LR44 / AG13 / A76 2ks
38 Kč
32 Kč (bez DPH)
Koupit
Rychlospojka rovná Ø 5 JOHN GUEST
57 Kč
47 Kč (bez DPH)
Koupit